View Q&A



Tall concrete parapet questions

Question
State NJ
Description Text

  1. For parapets used on bridges over electrified railroads, New Jersey Department of Transportation (NJDOT) is using a 6’-8” tall parapet.  Away from the electrified zone, these parapets must transition to typical roadway parapet or pylon that is much shorter (~3’-6” or less).  For these transitions, does the MwRSF’s recommended 6:1 vertical taper still apply? Our concern is that the transitions will end up being way too long and, in some instances, will require excessive length of approach slab/substructure to accommodate the transitional segment.

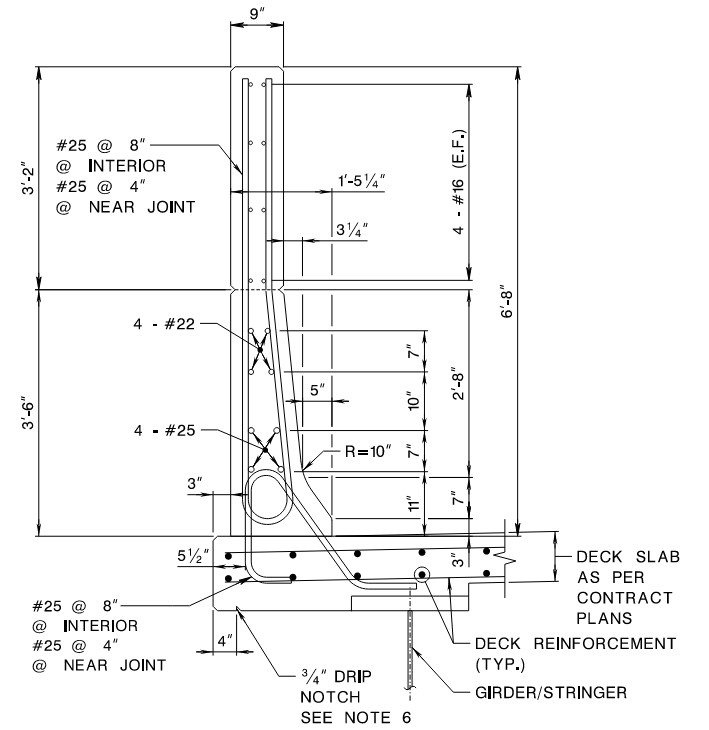
  2. NJDOT is seeking MASH TL-5 compliance for a 6'-8" tall railroad parapet. We are proposing a modified version of the MASH TL-5 rated, non-proprietary TxDOT T80SS barrier (See Figure 1), specifically by:




  • Reducing the overall height from 8'-0" to 6'-8".

  • Modifying the lower, single-slope section to an F-shape profile, as single-slope barriers are not standard in NJDOT practice



We used the AASHTO LRFD Bridge Design Specifications (BDS) Appendix A13 (Yield Line Theory) to analyze the capacity of this modified barrier. The analysis resulted in a large amount of vertical reinforcement (e.g., #25 bars @ 8" spacing) to meet the TL-5 load requirements (see below figure). Furthermore, applying the same AASHTO Appendix A13 Yield Line Theory to the tested TxDOT T80SS barrier suggests its capacity is substantially lower than the documented MASH TL-5 performance. Given that the T80SS was successfully crash-tested to TL-5, and the yield line theory appears overly conservative or inadequate for this barrier type, is MwRSF aware of any engineering justification or can you any suggest alternative analysis methods that can be used to reduce the required reinforcement in our modified F-shape barrier to a practical level while maintaining confidence in its MASH TL-5 performance?



 We would appreciate your expert guidance on this design detail to ensure the standard is compliant and safe. Please let us know your recommendation at your earliest convenience.



Thank you for your time and assistance.



MASH
TL-5

Bridge Rails
Permanent Concrete Barriers

Concrete Bridge Rails


Date January 5, 2026
Previous Views (79) Favorites (0)
Attachment Parapet-Fig1.jpg Attachment Parapet-Fig2.jpg
Response
Response
()
  1. The 6:1 vertical taper has typically been used for lower total height transitions. For example, it has been applied transition from 32” to 36” or 42” tall parapets. It was also focused on creating a height transition that did not cause a snag or instability risk for passenger vehicles. Using a similar vertical taper for a much higher height transition poses additional unknowns. This is especially true for heavy truck vehicles. For those vehicles, the box tends to extend over 42” or lower parapets which would mean that the boxes would traverse the 6:1 taper during impact. It is not know how this would affect the truck stability and box loading and integrity. In general, a more gradual taper would reduce those concerns. However, no research has done to date to establish what that taper would need to be. 8:1 or 10:1 would be more forgiving, but would add system length as you noted. We do not have a validated answer for this. It may come down to a compromise between the system length you can accommodate and shallower vertical tapers.
  2. In terms of the barrier yield line calculations noted below, one could use the comparison of the TXDOT barrier and the proposed NJ design as a justification that the barrier can meet MASH TL-5 loading. That barrier has been tested to MASH TL-5, so a modified version of that design should be justifiable if it has greater calculated capacity.

Thanks!


Date January 6, 2026
Previous Views (79) Favorites (0)